注水泵是一種效率高、體積小、重量輕、移動方便的高壓注水專用設備,主要由電動機、泵體、壓力表、安全閥、機座、水箱等部件構成。注水泵在我國油田采油工作了使用廣泛。我國的油田不像中東的油田那樣有很強的噴發能力,多為低滲透的低能、低產油田,大部分油田要靠注水壓油入井,再用抽油機把油從地層中提升上來,注水系統用電量約占油田總用電量的 30% 。注水采油是很多油田保持高產穩產的常用措施。
注水采油是很多油田保持高產穩產的常用措施。油田注水由于壓力高、水量大,注水電機大多是大功率電動機,電動機長期處于高耗能狀態運行。而實際上注水泵站在建設時都存在額定流量與實際流量不相匹配的問題。
針對中國石油鄭州分公司的實際情況,我們認為采用變頻調速裝置對油田注水泵用電動機實行變轉速調節,實現注水泵變水量控制是一項非常有效的節能措施。
在原設計系統工況中,采用兩臺注水泵進行系統注水。該工況的注水系統能耗損失主要在控制閥節流上。通過我們的分析,只要通過結合采油工藝所須的配注量,降低水壓,減少各注水井的閥門控制壓差,應該能達到節能降耗的目的。方案的選擇:
油田作業區供水泵站常共有三臺同一型號立式注水泵,二用一備。鄭州油田某一個注水泵站:電動機額定功率75KW,額定電壓380V,額定電流140A左右,額定轉速2900轉/分鐘,額定頻率50HZ,絕緣等級F級。針對注水泵二臺工作一臺備用的實際工況,采用變頻器調速進行恒壓供水時存在著一個用一臺變頻器還是用二臺變頻器的問題。我們分別針對使用一臺變頻器還是使用兩臺變頻器不同情況進行分析。
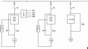
變頻器控制的基本原理圖

控制接線簡介:
RUN----COM 變頻啟動/停止信號
VS----GND 頻率給定 0----10V電壓信號
M1----GND 輸出0---10V、4---20mA可調接頻率表
AM+----AM- 輸出0---10V、4---20mA可調接電流表
A----C 變頻器故障報警
IF----GND 壓力變送器反饋信號
變頻器系統與原有控制系統的比較
1)采用變頻控制方式,其操作方便,無須手動調節進水閥門,極大的減輕了工人的勞動強度,提高了工作效率。
2)啟動噪音低,在啟動過程中電機從低頻開始緩慢加速,經F28設定的時間后達到設定頻率,由于啟動電流很小,減小了對電網的沖擊,保護了用電設備,延長了電動機的使用壽命,提高了電機的效率,節約維修成本。
3)采用壓力變送器反饋電流信號(4—20mA)至變頻器中央處理器(CPU),經PID控制組成閉環控制系統。其輸出頻率的大小由作用處理器控制,使電機的轉速自動增加或降低;這樣不但減小了電動機的無功功率,而且提高了水泵的工作效率,節約了能源。
4)采用變頻調速的方式來滿足生產的需要,既節約了電能,又減少了閥門的維護量。還提高了系統的自動化水平,降低了系統的噪音,改善了工作的環境,減輕了工人的勞動強度。采用變頻調速來獲得實際需要的水流量,不但節約了電能,提高系統自動化運行程度;變頻器自動根據需求量調節轉速,而且平滑穩定,減少了人員的勞動強度;水泵的運行參數得以改進,系統效率大為提高。
節約了電能,又減少了閥門的維護量。還提高了系統的自動化水平,降低了系統的噪音,改善了工作的環境,減輕了工人的勞動強度。